Right Angel 5PIN ตัวเชื่อมต่อ Pogo Pin ชายและหญิง
ปลอกสปริงเป็นโพรบชนิดสปริงที่ประกอบขึ้นจากส่วนสำคัญสามส่วนของเข็ม ท่อเข็ม และสปริงหลังจากถูกตรึงด้วยเครื่องมือที่มีความแม่นยำ มีชื่อเรียกอีกอย่างว่า pogo pin, pogopin spring electrode column, Spring Loaded หรือ pogopin ด้านล่างของเข็มของปลอกสปริงมักจะเป็นโครงสร้างเอียง

ฟังก์ชั่นของโครงสร้างเอียงคือเพื่อให้แน่ใจว่า pogopin ช่วยให้มือสัมผัสกับผนังด้านในของท่อเข็มเมื่อทำงานเพื่อให้กระแสส่วนใหญ่ไหลผ่านเข็มเคลือบทองและท่อเข็มเพื่อให้แน่ใจว่ามีเสถียรภาพและต่ำ ความต้านทานของ pogopin

โดยทั่วไปจะใช้ปลอกนิ้วสปริงในการเชื่อมต่อที่มีความแม่นยำในผลิตภัณฑ์อิเล็กทรอนิกส์ เช่น โทรศัพท์มือถือ การสื่อสาร รถยนต์ การแพทย์ การบินและอวกาศ ฯลฯ เนื่องจากปลอกนิ้วสปริงเป็นโพรบที่ยอดเยี่ยม จึงสามารถทำปริมาตรได้น้อยมาก ดังนั้นจึงสามารถลดต้นทุนการเชื่อมต่อเมื่อใช้กับคอนเนคเตอร์ที่มีความแม่นยำ ลดน้ำหนักของอุปกรณ์ ประหยัดพื้นที่ และทำให้รูปลักษณ์ของผลิตภัณฑ์สวยงาม (เช่น โทรศัพท์มือถือบางเฉียบ นาฬิกาข้อมืออัจฉริยะ บุหรี่ไฟฟ้า ฯลฯ)

สไตล์และคุณสมบัติทั่วไปของ pogopin หกแบบ:
โพโกพินก้นแบน: ความมั่นคงดี ด้านล่างของท่อเข็มเป็นแบบก้นแบน ง่ายต่อการบัดกรีกับบอร์ด PCB
ปลั๊กอิน pogopin: มีหมุดระบุตำแหน่งที่ปลายท่อเข็ม และเมื่อบัดกรีเข้ากับบอร์ด PCB จะไม่มีการเบี่ยงเบนและเอฟเฟกต์การวางตำแหน่งก็ดี
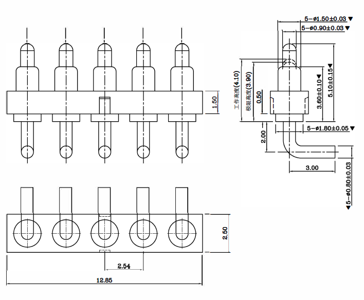
โพโกปินดัดโค้ง: หางโค้งงอ ช่วยให้นักออกแบบมีทางเลือกมากขึ้นในการใช้พื้นที่
โพโกพินสองหัว: การออกแบบของสองหัวและสองแอ็คชั่นช่วยให้วิศวกรมีพื้นที่ว่างมากขึ้นในการเชื่อมต่อแบบสองทางระหว่างบอร์ดกับบอร์ด
pogopin ลวดบัดกรี: เหมาะสำหรับปลายสาย, ง่ายต่อการบัดกรีด้วยลวด
เธรด pogopin: ผลิตภัณฑ์ที่มีคุณสมบัติพิเศษสามารถตอบสนองความต้องการที่แตกต่างกันของลูกค้า

